Konstruktiv arbeite ich am besten in kleinen Team’s oder alleine. Ich kann auf eine etwa 17 jährige Erfahrung im Umgang mit CAD Autodesk Inventor zurückgreifen. Bei Bedarf kann ich mich selbstverstänlich auf andere System einarbeiten. Bisher arbeite ich im Bereich Sondermaschinenbau.
Ich arbeite nach Ihren Vorgaben, abgeschlossene Konstruktionsaufgaben aus. Sie erhalten ihre Daten in freien Formaten wie .step, dwx, dwf, etc. Natürlich erhalten sie Konstruktions.- Fertigungszeichnungen, Dokumentationen für Ihre Werkstattaufträge und interne Dokumentation.
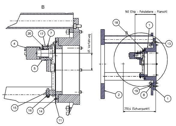
Ein Augenmerk liegt immer auf der fertigungsgerechten Umsetzung.
Remoteverbindung zu Ihrem Firmenserver ist von meinem Standort kein Problem.




Was können Sie erwarten?
Konstruktionsumsetzung in kleinen und mittleren Maschinenbauaufgaben.
- Konstruktion / Entwickung
- Modellierung
- Zeichnungsableitung
- Umsetzung in Normkonformer Dokumente
- schnelle und individuelle Umsetzung Ihrer Konstruktion
- Erarbeiten von Teilaufgabe zur Teamentlastung
Ich konzentriere mich auf Ihre Lösung und Ihre Aufgabe
Stand 10/2025